高青县人民政府
淄博市生态环境局高青分局
首页
政务公开
政府信息公开
生态环境
饮用水安全
饮用水水源水质状况
标题:
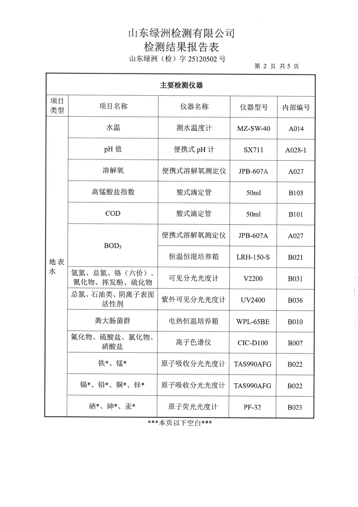
高青县大芦湖水库饮用水水源地水质情况公示(第四季度)
索引号:
113703220043116310/2026-5562722
文号:
发文日期:
2026-01-12
发布机构:
淄博市生态环境局高青分局
高青县大芦湖水库饮用水水源地水质情况公示(第四季度)
发布日期:2026-01-12
字号:
大
中
小
|
打印
分享:
扫码使用手机浏览本页内容